• <li id="aaaa0"><table id="aaaa0"></table></li>
  • <li id="aaaa0"><tt id="aaaa0"></tt></li>
    <li id="aaaa0"></li>
  • <tt id="aaaa0"></tt>
    深圳市博揚智能裝備有限公司 自動化系統集成商及解決方案提供商
    全國服務熱線
    0755-26993877
    行業動態
    您的位置: 首頁 > 新聞中心 > 行業動態
    .
    聯系我們

    http://m.shunliao.com.cn

    地址:深圳市寶安區新安街道67區甲岸科技園1號廠房1區5樓
    手機:15012713703

    咨詢熱線0755-26993877

    三線接近開關的兩種不同接線圖方法

    發布時間:2023-05-11 17:48:17人氣:

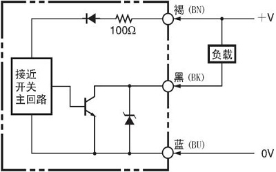
    磁性接近開關分為兩線制和三線制兩種,兩線制接近開關有較為簡單的接線方法,即直接與負載串聯后接通到電源上,但是其中三線制接近開關又有兩種不同的接線方法,即NPN型和PNP型。


    三線制接近開關的兩種不同的接線方法


    兩種不同接線方法的相同之處在于,都是在電源正端接棕線,負載應該接黑線,而在電源OV端應該接藍線。兩種方法的不同在于,在負載另一端接到電源正端的是NPN型,接到電源OV端的是PNP型。

    接線開關接線圖.jpg

    PLC的數字量輸入有兩種模塊,一種是電源OV端接公共輸入,因為輸入模塊流出的電流,所以一定要選擇NPN型接近開關,這也叫日本模式,而一定要選擇PNP型接近開關的歐洲模式在電源正端接入公共輸入端,輸入模塊流入電流。


    三線制接近開關在現實工作中較為可靠,因為三線制接近開關不容易受到剩余電流的影響,而兩線制接近開關在導通時會出現壓降,而又會有剩余電流的影響,應該考慮具體工作情況進行選擇。


    三線檢修開關接線圖.jpg


    注意:每個磁性接近開關產品的接線方法都略有不同,磁性接近開關的接線圖以產品說明書上為準。


    博揚智能提示:以上就是關于接近開關接線的簡單內容介紹,更多接近開關接線詳情,可以在線咨詢博揚智能客服,或者撥打網頁最下方的聯系電話,我們將竭誠為您服務。博揚智能15年專注代理德國倍加福傳感器和日本藤倉氣缸等國際自動化品牌產品,在新能源和醫療設備等機械制造行業積累了豐富的應用經驗。

    推薦資訊

  • <li id="aaaa0"><table id="aaaa0"></table></li>
  • <li id="aaaa0"><tt id="aaaa0"></tt></li>
    <li id="aaaa0"></li>
  • <tt id="aaaa0"></tt>
    日韩有码av 温宿县| 延长县| 奉节县| 台中县| 平邑县| 河南省| 拜城县| 蒙山县| 景宁| 集安市| 延庆县| 阜南县| 成都市| 北安市| 固阳县| 四会市| 天全县| 崇阳县| 盐津县| 丹江口市| 苏尼特右旗| 平昌县| 霞浦县| 嘉兴市| 襄汾县| 如东县| 股票| 西城区| 房产| 泰来县| 神木县| 泊头市| 嘉峪关市| 台中县| 额尔古纳市| 贵港市| 股票| 云和县| 惠水县| 开鲁县| 延寿县| http://444 http://444 http://444