• <li id="aaaa0"><table id="aaaa0"></table></li>
  • <li id="aaaa0"><tt id="aaaa0"></tt></li>
    <li id="aaaa0"></li>
  • <tt id="aaaa0"></tt>
    深圳市博揚智能裝備有限公司 自動化系統集成商及解決方案提供商
    全國服務熱線
    0755-26993877
    精密位移滑臺
    .
    聯系我們

    http://m.shunliao.com.cn

    地址:深圳市寶安區新安街道67區甲岸科技園1號廠房1區5樓
    手機:15012713703

    咨詢熱線0755-26993877

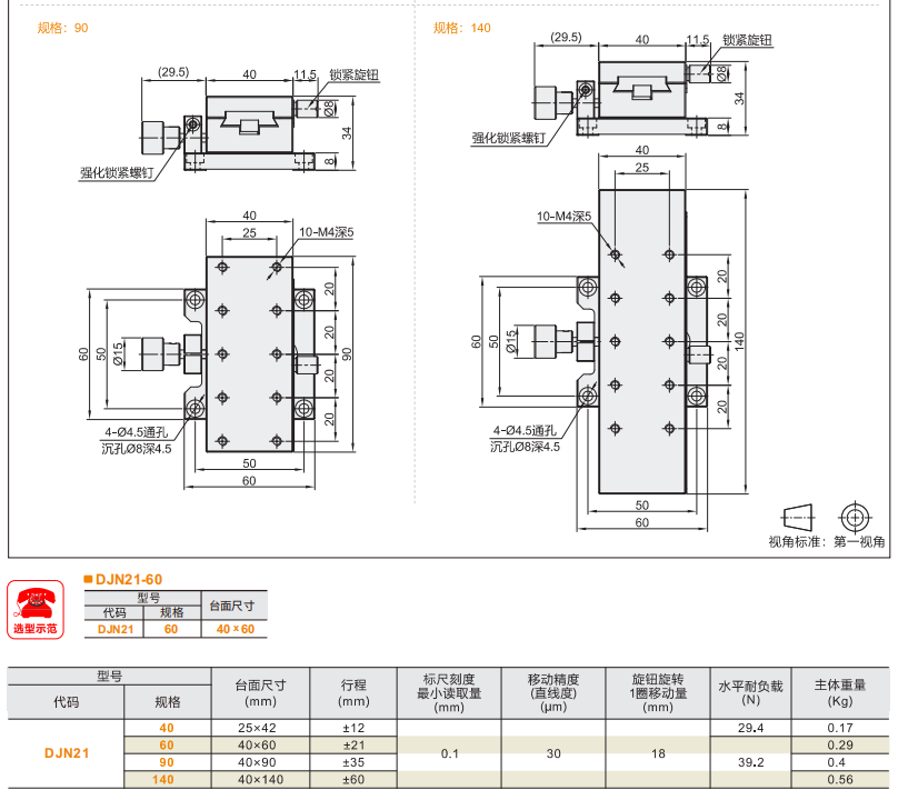
    DJN21手動位移滑臺

    發布時間:2025-06-05 09:23:22人氣:

    image.png

    DJN21系列高精度手動位移滑臺采用齒輪齒條驅動設計,專為需要精密線性定位的工業及科研場景打造。通過優化傳動結構與剛性導軌系統,可實現毫米級微調與穩定負載支撐,兼顧操作便捷性與長期耐用性。

    image.png

    核心特點:


    (1)高精度定位:精密齒輪齒條嚙合配合低背隙設計,重復定位精度達±0.02mm,適用于光學調整、檢測設備等高要求領域。

    (2)剛性結構:硬質陽極氧化鋁合金主體搭配強化鋼制齒條,抗磨損且承載能力強(靜態負載最高達50kg)。

    (3)人性化操作:手輪搭配刻度環或選配數顯裝置,支持快速粗調與精細微調,部分型號集成鎖緊機構防位移。

    (4)模塊化擴展:支持水平/垂直安裝,多軸串聯組合,滿足復雜運動平臺搭建需求。


    典型應用:


    激光對焦、自動化檢測工裝、實驗室儀器定位、半導體設備調試等需手動精密控制的線性運動場景??蛇x行程/負載定制,提供防塵版本(DJN21-C系列)適應惡劣環境。

    image.png

    image.png

    推薦資訊

  • <li id="aaaa0"><table id="aaaa0"></table></li>
  • <li id="aaaa0"><tt id="aaaa0"></tt></li>
    <li id="aaaa0"></li>
  • <tt id="aaaa0"></tt>
    日韩有码av 怀来县| 珠海市| 秭归县| 松桃| 如皋市| 垦利县| 重庆市| 苍溪县| 苏州市| 遂川县| 淮阳县| 丰顺县| 封丘县| 习水县| 德阳市| 麻江县| 汝阳县| 安阳市| 宁津县| 漯河市| 县级市| 黑水县| 屏山县| 修武县| 乐昌市| 北安市| 尼勒克县| 托里县| 宜章县| 高邮市| 化州市| 贵南县| 西藏| 安丘市| 永昌县| 府谷县| 镇远县| 同仁县| 沙雅县| 巩义市| 讷河市| http://444 http://444 http://444