• <li id="aaaa0"><table id="aaaa0"></table></li>
  • <li id="aaaa0"><tt id="aaaa0"></tt></li>
    <li id="aaaa0"></li>
  • <tt id="aaaa0"></tt>
    深圳市博揚智能裝備有限公司 自動化系統集成商及解決方案提供商
    全國服務熱線
    0755-26993877
    精密位移滑臺
    .
    聯系我們

    http://m.shunliao.com.cn

    地址:深圳市寶安區新安街道67區甲岸科技園1號廠房1區5樓
    手機:15012713703

    咨詢熱線0755-26993877

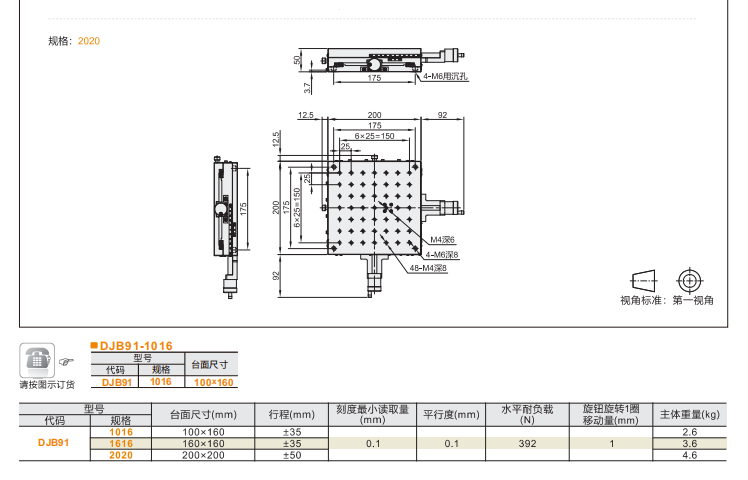
    DJB91手動位移滑臺

    發布時間:2025-06-12 16:07:05人氣:

    image.png

    DJB91手動位移滑臺(XY軸)采用精密研磨絲杠驅動與交叉滾柱導軌相結合的設計,專為高精度、高剛性的二維微調應用而開發。該系列產品適用于光學對準、精密加工、半導體檢測、科研實驗等需要納米級穩定性和重復定位的場合。

    image.png

    1、核心特點:

    (1)高精度研磨絲杠:提供優異的進給精度(±1μm以內)和平穩的操作手感,確保長期使用無回程間隙。

    (2)交叉滾柱導軌:高剛性、低摩擦,具備出色的抗傾覆能力和載荷均勻性,適合高精度定位需求。

    (3)雙軸獨立調節:X/Y軸正交布局,支持手動微調,可選配千分尺或微分頭,實現更精細的位移控制。

    (4)高穩定性結構:采用優質合金材料,經精密加工與熱處理,確保長期使用不變形,抗磨損性能優異。

    (5)模塊化設計:支持多軸組合或定制化行程,滿足不同應用場景需求。


    2、典型應用:

    ·光學元件校準

    ·精密儀器調試

    ·微納加工定位

    ·自動化檢測設備

    image.png

    image.png

    推薦資訊

  • <li id="aaaa0"><table id="aaaa0"></table></li>
  • <li id="aaaa0"><tt id="aaaa0"></tt></li>
    <li id="aaaa0"></li>
  • <tt id="aaaa0"></tt>
    日韩有码av 衢州市| 东乡县| 防城港市| 威远县| 安徽省| 南皮县| 霍林郭勒市| 尼木县| 黔东| 濮阳市| 迁西县| 浑源县| 鞍山市| 榆树市| 齐齐哈尔市| 南平市| 仙游县| 东台市| 鸡东县| 吉木乃县| 侯马市| 临清市| 洞头县| 澄城县| 突泉县| 磐安县| 略阳县| 海原县| 泰兴市| 枝江市| 舒兰市| 青州市| 太保市| 靖宇县| 丹阳市| 长子县| 红河县| 天门市| 玛曲县| 武清区| 永宁县| http://444 http://444 http://444