• <li id="aaaa0"><table id="aaaa0"></table></li>
  • <li id="aaaa0"><tt id="aaaa0"></tt></li>
    <li id="aaaa0"></li>
  • <tt id="aaaa0"></tt>
    深圳市博揚智能裝備有限公司 自動化系統集成商及解決方案提供商
    全國服務熱線
    0755-26993877
    精密位移滑臺
    .
    聯系我們

    http://m.shunliao.com.cn

    地址:深圳市寶安區新安街道67區甲岸科技園1號廠房1區5樓
    手機:15012713703

    咨詢熱線0755-26993877

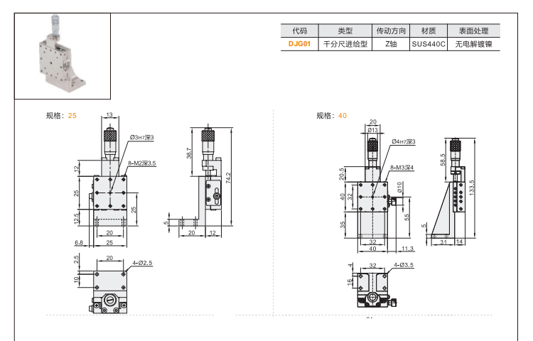
    DJG01/DJG11手動位移滑臺

    發布時間:2025-06-14 15:34:13人氣:

    image.png

    DJG01/DJG11系列是兩款采用線性滾珠導軌的高精度手動位移平臺,分別針對微米級調節與高剛性傳動的不同需求而優化設計,適用于精密儀器、自動化設備及科研領域的高端定位應用。

    image.png

    一、DJG01(千分尺進給型)核心特點

    (1)超精密微調:

    ?高分辨率千分尺驅動(0.001mm/格),重復定位精度±0.5μm

    ?預壓式滾珠導軌(P級精度),摩擦系數<0.002

    (2)緊湊型結構:

    ?輕量化鋁合金本體(表面硬質氧化),自重僅標準型號的60%

    ?超薄設計(最小厚度18mm),適合空間受限場景

    (3)典型應用:

    ?光學鏡頭焦點校準?精密傳感器測試?顯微操作系統

    image.png

    image.png

    二、DJG11(絲杠驅動型)核心優勢

    (1)高剛性傳動:

    ?C3級滾珠絲杠(導程2mm),軸向剛性≥200N/μm

    ?消隙螺母結構,重復定位精度±1μm

    (2)工業級耐久:

    ?鋼制導軌滑塊,額定壽命>100km行程

    ?可選集中潤滑接口,維護周期12個月

    (3)典型應用:

    ?自動化檢測設備定位?半導體晶圓對準?機床輔助測量

    image.png

    image.png

    三、通用高階配置

    ·多軸聯動擴展底座(支持XYZ三維組態)

    ·絕對式光柵尺閉環反饋系統(分辨率0.1μm)

    ·防震/防塵/真空(10??Pa)專用版本

    (標準行程50-300mm,DJG11最大推力可達500N)

    推薦資訊

  • <li id="aaaa0"><table id="aaaa0"></table></li>
  • <li id="aaaa0"><tt id="aaaa0"></tt></li>
    <li id="aaaa0"></li>
  • <tt id="aaaa0"></tt>
    日韩有码av 闽侯县| 石首市| 安庆市| 丰宁| 永昌县| SHOW| 汽车| 灌南县| 即墨市| 万山特区| 锡林浩特市| 洮南市| 寻乌县| 进贤县| 天峻县| 陕西省| 柳河县| 长治县| 科尔| 新干县| 轮台县| 筠连县| 怀来县| 乌什县| 上杭县| 渭南市| 延寿县| 阿合奇县| 海宁市| 米易县| 彭山县| 视频| 杭州市| 铜梁县| 临桂县| 英德市| 项城市| 桓台县| 开江县| 正宁县| 嘉兴市| http://444 http://444 http://444