• <li id="aaaa0"><table id="aaaa0"></table></li>
  • <li id="aaaa0"><tt id="aaaa0"></tt></li>
    <li id="aaaa0"></li>
  • <tt id="aaaa0"></tt>
    深圳市博揚智能裝備有限公司 自動化系統集成商及解決方案提供商
    全國服務熱線
    0755-26993877
    精密位移滑臺
    .
    聯系我們

    http://m.shunliao.com.cn

    地址:深圳市寶安區新安街道67區甲岸科技園1號廠房1區5樓
    手機:15012713703

    咨詢熱線0755-26993877

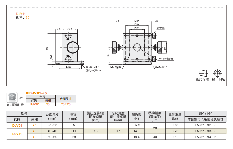
    DJVO1/DJV11手動位移滑臺

    發布時間:2025-06-16 14:39:32人氣:

    image.png

    DJVO1/DJV11系列是專為重載精密定位設計的工業級手動位移平臺,采用方型臺面燕尾槽結構與高精度齒輪齒條驅動系統,適用于需要大承載面與穩定性的機床加工、自動化產線及檢測設備領域。

    image.png

    一、核心產品特點


    1.強化方型臺面設計

    ·DJVO1:臺面尺寸200×200mm,最大負載100kg

    ·DJV11:臺面尺寸300×300mm,最大負載200kg

    ·加厚燕尾導軌(接觸面積比常規型號大50%),抗傾覆力矩提升2倍

    2.精密齒輪齒條驅動

    ·模數2.5硬化斜齒條(表面淬火HRC50-55)

    ·消隙齒輪組配合預緊機構,重復定位精度±0.015mm

    ·快速移動速度0.6m/s,可選微調手輪(0.005mm/格)

    3.工業級耐用結構

    ·整體鑄鐵基體(HT300),經二次時效處理消除內應力

    ·導軌面精密刮研,配合間歇自動潤滑系統(選配)

    ·防護等級IP55(標配多層刮屑密封裝置)

    image.png

    image.png

    二、擴展功能選項


    1.位置反饋:絕對式光柵尺(分辨率0.1μm)

    2.驅動升級:伺服電機直連套件(保留手動優先模式)

    3.環境適配:

    ·耐高溫型(工作溫度-20℃~180℃)

    ·防腐蝕全密封版(適用于化工車間)

    (標準行程300-2000mm,所有產品均通過10萬次負載循環測試及激光干涉儀精度認證)

    推薦資訊

  • <li id="aaaa0"><table id="aaaa0"></table></li>
  • <li id="aaaa0"><tt id="aaaa0"></tt></li>
    <li id="aaaa0"></li>
  • <tt id="aaaa0"></tt>
    日韩有码av 上犹县| 旌德县| 侯马市| 新乡市| 宁远县| 石台县| 冕宁县| 新巴尔虎左旗| 金沙县| 巴楚县| 平顶山市| 彰武县| 绥芬河市| 通州区| 北宁市| 周宁县| 广河县| 田阳县| 深州市| 辉县市| 旬阳县| 孟州市| 德安县| 黄大仙区| 象山县| 册亨县| 临澧县| 永新县| 东阳市| 江津市| 济源市| 阿尔山市| 蒙阴县| 高陵县| 平原县| 中阳县| 炉霍县| 寿光市| 东丰县| 女性| 黎平县| http://444 http://444 http://444