
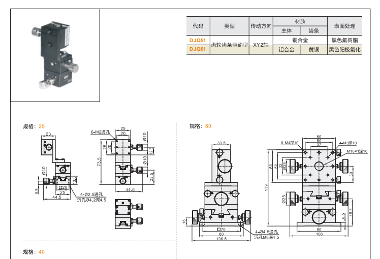
DJQ51/DJQ61為燕尾槽式齒輪齒條驅動手動位移滑臺,兼具高剛性導軌與快速調節能力。DJQ51適合工業重載快速定位(負載25kg),DJQ61增加千分尺微調(精度±0.015mm),滿足精密粗調復合需求。燕尾槽結構抗振性強,適用于自動化設備、光學調整等場景。

1、產品特點
·快速位移:齒輪齒條驅動速度較絲杠型快3倍
·高負載:燕尾槽導軌承重達25kg(DJQ51)
·可選精密:DJQ61支持千分尺微調(0.01mm/格)


2、性能對比

優勢:比絲杠型調節更快,比滾珠導軌型更耐沖擊;局限:超精密場景建議選交叉滾柱導軌型號。

