• <li id="aaaa0"><table id="aaaa0"></table></li>
  • <li id="aaaa0"><tt id="aaaa0"></tt></li>
    <li id="aaaa0"></li>
  • <tt id="aaaa0"></tt>
    深圳市博揚智能裝備有限公司 自動化系統集成商及解決方案提供商
    全國服務熱線
    0755-26993877
    精密位移滑臺
    .
    聯系我們

    http://m.shunliao.com.cn

    地址:深圳市寶安區新安街道67區甲岸科技園1號廠房1區5樓
    手機:15012713703

    咨詢熱線0755-26993877

    DLF41/DLF42手動位移滑臺

    發布時間:2025-06-19 14:14:22人氣:

    image.png

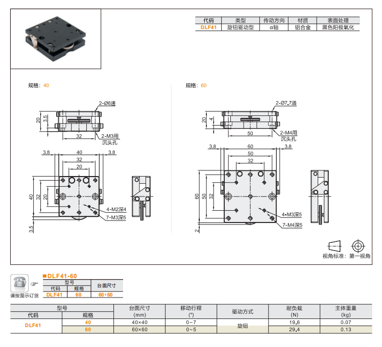
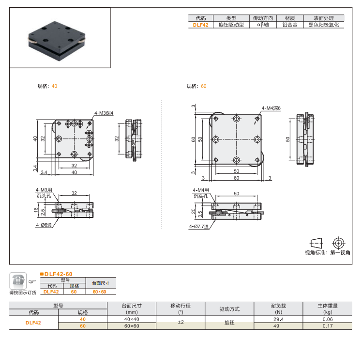
    DLF41和DLF42傾斜型手動位移滑臺專為精密角度調節設計。DLF41采用軸孔配套式結構,通過旋鈕驅動實現平穩傾斜;DLF42升級為三點支撐式,旋鈕驅動配合強化底座,顯著提升負載穩定性。兩者均適用于光學校準、自動化定位等場景,兼顧操作便捷性與抗偏載能力,滿足不同精度與剛性需求。

    image.png

    一、核心特點


    ·DLF41:軸孔導向,緊湊輕便,旋鈕微調

    ·DLF42:三點支撐,抗偏載強,穩定性高

    ·通用性:鋁合金材質,防銹耐磨,兼容多場景

    ·傾斜調節——支持±15°角度調整,滿足非水平面精密定位需求。

    ·軸孔導向——高剛性結構,運動平穩,適用于中小負載(≤50kg)。

    ·旋鈕驅動——手動旋轉調節,操作簡單,無需額外工具。

    ·緊湊設計——輕量化結構,方便集成到各類設備中。

    image.png

    二、基本參數


    ·導向方式:軸孔配套式(低摩擦)

    ·調節方式:旋鈕手動驅動

    ·傾斜范圍:±15°

    ·負載能力:≤50kg

    ·材質:鋁合金(輕量化防銹)

    ·適用場景:光學調整、實驗儀器、小型自動化設備

    image.png

    三、優勢對比

    image.png

    推薦資訊

  • <li id="aaaa0"><table id="aaaa0"></table></li>
  • <li id="aaaa0"><tt id="aaaa0"></tt></li>
    <li id="aaaa0"></li>
  • <tt id="aaaa0"></tt>
    日韩有码av 库尔勒市| 万州区| 临漳县| 腾冲县| 无为县| 永顺县| 常州市| 安平县| 克山县| 武功县| 武穴市| 靖安县| 和政县| 武城县| 铜陵市| 台江县| 三河市| 驻马店市| 厦门市| 东方市| 县级市| 武定县| 安泽县| 醴陵市| 利津县| 涪陵区| 原阳县| 杨浦区| 上犹县| 北海市| 临漳县| 思南县| 麻江县| 南城县| 历史| 裕民县| 措勤县| 荥经县| 巨野县| 广西| 临泽县| http://444 http://444 http://444