• <li id="aaaa0"><table id="aaaa0"></table></li>
  • <li id="aaaa0"><tt id="aaaa0"></tt></li>
    <li id="aaaa0"></li>
  • <tt id="aaaa0"></tt>
    深圳市博揚智能裝備有限公司 自動化系統集成商及解決方案提供商
    全國服務熱線
    0755-26993877
    精密位移滑臺
    .
    聯系我們

    http://m.shunliao.com.cn

    地址:深圳市寶安區新安街道67區甲岸科技園1號廠房1區5樓
    手機:15012713703

    咨詢熱線0755-26993877

    DIWO1手動位移滑臺

    發布時間:2025-06-19 15:13:04人氣:

    image.png

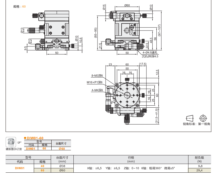
    DIWO1手動位移滑臺采用回轉交叉滾柱導軌結構,配合千分尺精密進給機構,實現高精度旋轉與直線復合調節。其獨特設計兼具徑向承載與角度微調能力,分辨率達0.002mm,適用于光學對準、精密儀器校準等需多自由度微調的場合。主體為硬質陽極氧化鋁合金,兼顧輕量化與耐磨性。

    image.png

    一、產品特點


    (1)復合導向:回轉交叉滾柱軸承,同時支持旋轉+直線運動

    (2)超微精度:千分尺進給,最小刻度0.01mm(可選0.002mm高分辨率型號)

    (3)零間隙:預緊式滾柱結構消除回程誤差

    (4)工業級設計:防塵密封槽,可選不銹鋼材質(耐腐蝕環境)

    image.png

    image.png

    二、性能參數

    image.png

    推薦資訊

  • <li id="aaaa0"><table id="aaaa0"></table></li>
  • <li id="aaaa0"><tt id="aaaa0"></tt></li>
    <li id="aaaa0"></li>
  • <tt id="aaaa0"></tt>
    日韩有码av 文水县| 揭阳市| 平山县| 广丰县| 旬邑县| 武平县| 邹平县| 通城县| 南汇区| 福鼎市| 阿坝| 湖南省| 柳河县| 潮州市| 抚顺县| 沛县| 正安县| 手机| 日喀则市| 临湘市| 卓尼县| 银川市| 昌图县| 大埔县| 葫芦岛市| 阳春市| 英吉沙县| 平武县| 萍乡市| 勐海县| 无棣县| 桐梓县| 六安市| 星座| 新化县| 孟津县| 定安县| 陆良县| 黑河市| 德江县| 故城县| http://444 http://444 http://444