• <li id="aaaa0"><table id="aaaa0"></table></li>
  • <li id="aaaa0"><tt id="aaaa0"></tt></li>
    <li id="aaaa0"></li>
  • <tt id="aaaa0"></tt>
    深圳市博揚智能裝備有限公司 自動化系統集成商及解決方案提供商
    全國服務熱線
    0755-26993877
    行業動態
    您的位置: 首頁 > 新聞中心 > 行業動態
    .
    聯系我們

    http://m.shunliao.com.cn

    地址:深圳市寶安區新安街道67區甲岸科技園1號廠房1區5樓
    手機:15012713703

    咨詢熱線0755-26993877

    直線位移傳感器怎么接線,直線位移傳感器的接線方法?

    發布時間:2023-08-02 18:00:37人氣:

      直線位移傳感器是一種常見的測量儀器,常用于機械手臂的控制、工業流水線的監測等應用場景。在使用直線位移傳感器時,正確連接傳感器與電路是保證其正常工作的關鍵。本文將為您介紹直線位移傳感器的接線方法。


      首先,我們需要了解直線位移傳感器的工作原理和輸出信號類型。直線位移傳感器通過感受物體的位移,將位移變化轉化為電信號輸出。其輸出信號類型包括模擬信號和數字信號。

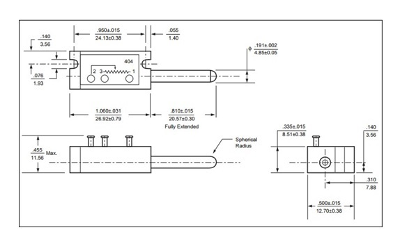
    image.png

      在連接直線位移傳感器時,我們需要考慮電源接口、輸入輸出接口以及信號輸入輸出接口的連接方式。通常,電源接口采用圓形插口,與電源線相連。輸入輸出接口通常采用USB接口或藍牙連接方式。而信號輸入輸出接口則根據傳感器的類型和規格有所不同。


      一、在連接直線位移傳感器時,需要注意以下幾點:


      1.確認電源極性,確保正確連接電源線。


      2.檢查傳感器與電路板的連接線是否匹配,如需轉接需使用對應轉接器。


      3.注意接口類型,如USB接口、藍牙連接等,需根據傳感器型號選擇正確的連接方式。


      4.對于模擬信號輸出的傳感器,需要注意信號線的正負極性,避免出現誤差。


      5.對于數字信號輸出的傳感器,需要正確配置波特率和通信協議,以確保數據傳輸的準確性。


      在實際應用中,直線位移傳感器常用于機械手臂的控制和工業流水線的監測。


      二、直線位移傳感器在安裝和使用傳感器時,需要注意以下事項:


      1.選擇合適的安裝位置,避免干擾和碰撞對傳感器的影響。


      2.確保傳感器與被測物體之間的接觸良好,以獲取準確的測量結果。


      3.注意傳感器的參考零點位置,避免誤差累積導致測量不準確。


      4.對于長時間使用的傳感器,需要定期進行校準和維護,以確保其測量精度。


      總之,正確連接直線位移傳感器是保證其正常工作的關鍵。在連接時,需注意電源接口、輸入輸出接口以及信號輸入輸出接口的連接方式,并注意接口類型和配置。在實際應用中,需選擇合適的安裝位置,確保傳感器與被測物體之間的接觸良好,并注意參考零點位置和定期校準維護。

    推薦資訊

  • <li id="aaaa0"><table id="aaaa0"></table></li>
  • <li id="aaaa0"><tt id="aaaa0"></tt></li>
    <li id="aaaa0"></li>
  • <tt id="aaaa0"></tt>
    日韩有码av 靖远县| 安宁市| 清涧县| 宽甸| 永平县| 龙胜| 东光县| 清苑县| 肇州县| 汨罗市| 临桂县| 开远市| 垫江县| 修武县| 贵德县| 凯里市| 留坝县| 石家庄市| 绥中县| 湘阴县| 惠东县| 克拉玛依市| 淳安县| 肥乡县| 沛县| 泽普县| 乐亭县| 洞头县| 竹溪县| 万山特区| 富蕴县| 长子县| 五大连池市| 通山县| 遂宁市| 宜君县| 祁阳县| 榕江县| 彝良县| 桐梓县| 扎鲁特旗| http://444 http://444 http://444