• <li id="aaaa0"><table id="aaaa0"></table></li>
  • <li id="aaaa0"><tt id="aaaa0"></tt></li>
    <li id="aaaa0"></li>
  • <tt id="aaaa0"></tt>
    深圳市博揚智能裝備有限公司 自動化系統集成商及解決方案提供商
    全國服務熱線
    0755-26993877
    倍加福
    您的位置: 首頁 > 產品中心 > 倍加福
    .
    聯系我們

    http://m.shunliao.com.cn

    地址:深圳市寶安區新安街道67區甲岸科技園1號廠房1區5樓
    手機:15012713703

    咨詢熱線0755-26993877

    槽型光電開關:GL5-R/28A/115系列

    發布時間:2023-05-23 17:02:09人氣:

        槽型光電開關:GL5-R/28A/115小型光電槽型傳感器體積小巧,光學性能出眾。滿足半導體工業微型物體的檢測需求。在同類產品中具有DC5-24V的寬電壓范圍和高達5kHz的最快開關頻率。內部集成的聚焦孔使傳感器能檢測尺寸為0.8x1.8mm的微型物體。傳感器提供NPN或者PNP輸出。多樣且優化的外殼使傳感器最大程度地適用于擁擠環境中。


    槽型光電開關:GL5-R/28A/115特點


        1、微型設計

        2、為檢測小尺寸零件進行了優化

        3、高開關頻率

        4、簡單且快速的安裝

        5、清晰可見的LED功能顯示


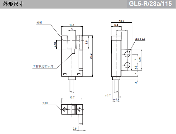
    槽型光電開關:GL5-R/28A/115(外形尺寸)

    槽型光電開關外形尺寸

    槽型光電開關:GL5-R/28A/115產品參數


    產品闡述
    微型槽型光電傳感器,適用于檢測小尺寸零件,R 形設計,叉寬 5 mm,紅外光,NPN 輸出,固定纜線
    通用規格
    光源紅外發光二極管
    光源類型紅外連續光 , 940 nm
    目標尺寸0.8 x 1.8 mm
    槽寬5 mm
    槽深8,5 mm
    環境光限制1000 Lux
    功能性安全相關參數
    MTTFd3760 a
    任務時間 (TM)20 a
    診斷覆蓋率 (DC)0 %
    指示燈/操作方法
    功能指示燈紅色 LED 接收到光束時亮起
    電氣技術規格
    工作電壓5 ... 24 V DC , 2 級
    空載電流最大 20 mA
    可用前的時間延遲< 2 ms
    輸出
    開關類型亮通/暗通
    信號輸出2 路 NPN 互補 , 過電壓保護
    開關電壓最大 30 V DC
    開關電流最大 50 mA , 阻抗負載
    電壓降最大 0,2 V 當 10 mA 最大 0,6 V 當 50 mA
    開關頻率最大 5 kHz
    響應時間40 μs 光束未中斷
    80 μs 光束中斷
    重復精度0,03 mm
    遵守標準和指令
    指令符合性

    EMC 指令 2004/108/ECEN 60947-5-2:2007+A1:2012
    符合標準

    標準UL 60947-5-2
    認證和證書
    UL 認證cULus 認證,2 類電源
    CCC 認證額定電壓 ≤ 36 V 時,產品不需要 CCC 認證/標記
    環境條件
    環境溫度-25 ... 55 °C (-13 ... 131 °F)
    存儲溫度-30 ... 80 °C (-22 ... 176 °F)
    污染程度2
    機械規格
    外殼寬度13,2 mm
    外殼高度13,4 mm
    防護等級IP50
    連接2 m PVC 纜線,4 x 0.09 mm2
    材料

    外殼PBT
    質量25 g
    緊固螺絲的緊固扭矩0,6 Nm
    電纜長度2 m

    推薦資訊

  • <li id="aaaa0"><table id="aaaa0"></table></li>
  • <li id="aaaa0"><tt id="aaaa0"></tt></li>
    <li id="aaaa0"></li>
  • <tt id="aaaa0"></tt>
    日韩有码av 庆城县| 喀喇| 石屏县| 平武县| 南昌市| 黄龙县| 石渠县| 河东区| 新安县| 桦川县| 白水县| 江陵县| 贺州市| 繁峙县| 青神县| 喀喇沁旗| 区。| 贞丰县| 申扎县| 金堂县| 张家口市| 宽城| 都兰县| 锡林郭勒盟| 阿瓦提县| 合阳县| 乡城县| 泾阳县| 长葛市| 柳林县| 镇雄县| 岳阳市| 旬邑县| 视频| 南宁市| 阳信县| 卢氏县| 酉阳| 阜平县| 彭阳县| 宁安市| http://444 http://444 http://444