• <li id="aaaa0"><table id="aaaa0"></table></li>
  • <li id="aaaa0"><tt id="aaaa0"></tt></li>
    <li id="aaaa0"></li>
  • <tt id="aaaa0"></tt>
    深圳市博揚智能裝備有限公司 自動化系統集成商及解決方案提供商
    全國服務熱線
    0755-26993877
    倍加福
    您的位置: 首頁 > 產品中心 > 倍加福
    .
    聯系我們

    http://m.shunliao.com.cn

    地址:深圳市寶安區新安街道67區甲岸科技園1號廠房1區5樓
    手機:15012713703

    咨詢熱線0755-26993877

    槽型光電開關:GL5-L/43a/115系列

    發布時間:2023-05-23 18:14:05人氣:

    槽型光電傳感器GL5-L/43a/115(槽型傳感器和槽型光柵傳感器)

      槽型光電傳感器GL5-L/43a/115的工作原理是把一個光發射器和一個接收器面對面地裝在一個槽的兩側的是槽形光電。發光器能發出紅外光或可見光,在無阻情況下光接收器能收到光。但當被檢測物體從槽中通過時,光被遮擋,光電開關便動作。輸出一個開關控制信號,切斷或接通負載電流,從而完成一次控制動作。槽形開關的檢測距離因為受整體結構的限制一般只有幾厘米。


      槽型光電傳感器GL5-L/43a/115產品描述:


      GL5小型光電槽型傳感器體積小巧,光學性能出眾。滿足半導體工業微型物體的檢測需求。在同類產品中具有DC 5-24 V的寬電壓范圍和高達5 kHz的最快開關頻率。內部集成的聚焦孔使傳感器能檢測尺寸為0.8 x 1.8 mm的微型物體。傳感器提供NPN或者PNP輸出。多樣且優化的外殼使傳感器最大程度地適用于擁擠環境中。


      槽型光電傳感器GL5-L/43a/115產品特點:


      ?微型設計

      ?適宜小物體檢測

      ?開關頻率高

      ?安裝快速簡單

      ?清晰的可視LED功能顯示


      槽型光電傳感器GL5-L/43a/115產品相關型號:


      GL5-L/43a/115

      GL5-F/43a/115

      GL5-R/43a/115

      GL5-T/43a/115

      GL5-U/43a/115

      GL5-Y/43a/115

      GL5-J/43a/115

      GL5-R/43a/115-5M

      GL5-T/43a/115e

      GL5-L/43a/115-5M

      GL5-T/43a/115a

      GL5-L/43a/115a

      GL5-Y/43a/115-5M


      槽型光電傳感器GL5-L/43a/115產品規格參數:

    規格參數

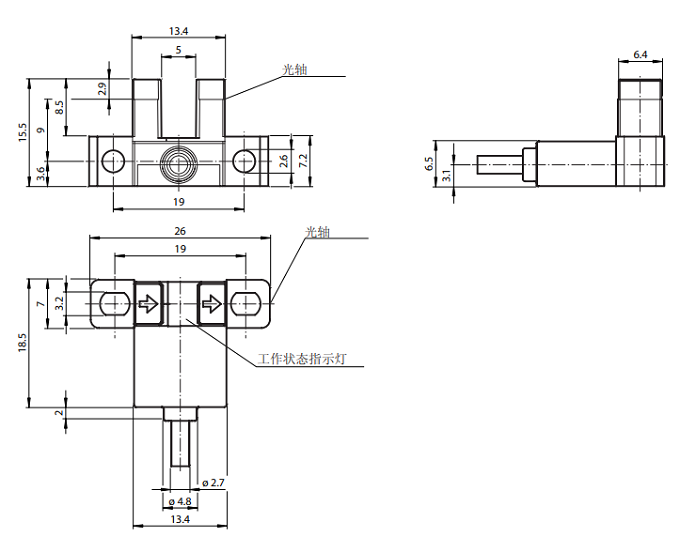
      槽型光電傳感器GL5-L/43a/115外形尺寸:


    外形尺寸

    推薦資訊

  • <li id="aaaa0"><table id="aaaa0"></table></li>
  • <li id="aaaa0"><tt id="aaaa0"></tt></li>
    <li id="aaaa0"></li>
  • <tt id="aaaa0"></tt>
    日韩有码av 成安县| 盐池县| 建湖县| 波密县| 江川县| 白水县| 昆明市| 前郭尔| 张北县| 仁布县| 门头沟区| 民乐县| 革吉县| 武清区| 墨江| 德兴市| 吉林省| 佛学| 葵青区| 理塘县| 广昌县| 上犹县| 汕尾市| 杨浦区| 安龙县| 独山县| 清徐县| 白水县| 遵义市| 瓦房店市| 沙坪坝区| 富裕县| 井研县| 郯城县| 报价| 荣昌县| 奉贤区| 大厂| 凭祥市| 航空| 衡阳县| http://444 http://444 http://444