• <li id="aaaa0"><table id="aaaa0"></table></li>
  • <li id="aaaa0"><tt id="aaaa0"></tt></li>
    <li id="aaaa0"></li>
  • <tt id="aaaa0"></tt>
    深圳市博揚智能裝備有限公司 自動化系統集成商及解決方案提供商
    全國服務熱線
    0755-26993877
    倍加福
    您的位置: 首頁 > 產品中心 > 倍加福
    .
    聯系我們

    http://m.shunliao.com.cn

    地址:深圳市寶安區新安街道67區甲岸科技園1號廠房1區5樓
    手機:15012713703

    咨詢熱線0755-26993877

    超聲波傳感器:UB1000-18GM75-I-V15系列

    發布時間:2023-05-24 11:36:36人氣:

    超聲波傳感器UB1000-18GM75-I-V15(漫反射型和反射板型超聲波傳感器)

    【產品功能描述】

    超聲波傳感器UB1000-18GM75-I-V15接近開關有一個同步輸入端可以抑制接近開關之間的相互影響。如果同步輸入端不接,接近開關則根據內部產生的時鐘頻率工作。

    【附件產品】
    ·UB-PROG2編程附件

    ·OMH-04安裝附件

    ·BF 5-30安裝附件

    ·BF 18安裝附件

    ·BF 18-F安裝附件

    ·V15-G-2M-PVC電纜連接器

    ·V15-W-2M-PVC電纜連接器

    ·UVW90-K18導向板

    產品·特點

    ——超聲波傳感器UB1000-18GM75-I-V15產品特性——

        模擬量4mA...20mA輸出

        測量窗口可調

        聲錐寬度可調

        TEACH-IN輸入

        同步選項功能

        接近開關關閉功能

        溫度補償

        非常小的盲區

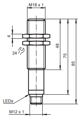
    外形尺寸

    產品·規格參數

    ——超聲波傳感器UB1000-18GM75-I-V15產品規格——

        通用規格——

        感應范圍:70...1000mm

        調整范圍:90...1000mm

        死區:0...70mm

        標準目標板:100mmx100mm

        換能器頻率:大約255kHz

        響應延遲:大約125ms

        輸入/輸出——

        (1)同步:

        1個同步連接,雙向

        0電平:-UB...+1V

        1電平:+4V...+UB

        輸入阻抗:>12kΩ

        同步脈沖:≥100μs,同步脈沖間歇時間:≥2ms

        (2)同步頻率

        共模操作:max.40Hz

        多路轉換操作:≤40Hz/n,n=傳感器的數量,n≤5

        輸入——

        輸入類型:1路程序輸入

        評估下限A1:-UB...+1V,評估上限A2:+4V...+UB

        輸入阻抗:>4.7kΩ,脈沖持續時間:≥1s

        輸出——

        輸出類型:1路模擬量輸出4...20mA

        分辨率:0,35mm

        特性曲線的偏差:±1%滿量程值

        重復精度:±0,1%滿量程值

        負載阻抗:0...300Ohm

        溫度影響:±1,5%滿量程值

        指示燈/操作方法——

        黃色LED:黃色常亮:物體在評估范圍內

        黃色閃爍:程序功能,檢測到物體

        紅色LED:紅色常亮:錯誤

        紅色閃爍:程序功能,未檢測到物體

        安裝條件——

        PS:如果接近開關安裝于環境溫度可能低于0°C的現場時,就必須使用安裝附件BF18,BF18-F或BF5-30中的一種來固定。在使用鋼螺母將接近開關直接安裝在一個通孔的情況下,接近開關必須被固定在安裝螺紋的中央。如果一定要固定在安裝螺紋的前端,就必須使用帶定位環的塑料螺母(附件)。

    推薦資訊

  • <li id="aaaa0"><table id="aaaa0"></table></li>
  • <li id="aaaa0"><tt id="aaaa0"></tt></li>
    <li id="aaaa0"></li>
  • <tt id="aaaa0"></tt>
    日韩有码av 兴文县| 出国| 绵竹市| 济南市| 本溪市| 合川市| 昂仁县| 寻甸| 锡林郭勒盟| 孟连| 本溪| 柏乡县| 凤城市| 云和县| 阿城市| 扬中市| 万年县| 衡阳市| 叶城县| 湘乡市| 镇雄县| 永善县| 精河县| 武鸣县| 甘孜| 石河子市| 岑溪市| 安福县| 海安县| 邵武市| 荥阳市| 永丰县| 商丘市| 九台市| 兴山县| 宾阳县| 洛扎县| 临澧县| 德清县| 阿拉尔市| 平塘县| http://444 http://444 http://444