• <li id="aaaa0"><table id="aaaa0"></table></li>
  • <li id="aaaa0"><tt id="aaaa0"></tt></li>
    <li id="aaaa0"></li>
  • <tt id="aaaa0"></tt>
    深圳市博揚智能裝備有限公司 自動化系統集成商及解決方案提供商
    全國服務熱線
    0755-26993877
    倍加福
    您的位置: 首頁 > 產品中心 > 倍加福
    .
    聯系我們

    http://m.shunliao.com.cn

    地址:深圳市寶安區新安街道67區甲岸科技園1號廠房1區5樓
    手機:15012713703

    咨詢熱線0755-26993877

    槽型光電傳感器:GL5-L/28a/115系列

    發布時間:2023-09-06 15:18:22人氣:

     倍加福槽型光電傳感器 GL5-J/28A/115

    image.png

    【線路連接】
    image.png
    【產品特性】

    微型設計

    為檢測小尺寸零件進行了優化

    高開關頻率

    簡單且快速的安裝

    清晰可見的 LED 功能顯示

      GL5-J/28A/115小型光電槽型傳感器體積小巧,光學性能出眾。滿足半導體工業微型物體的檢測需求。在同類產品中具有DC 5-24 V的寬電壓范圍和高達5 kHz的最快開關頻率。

      內部集成的聚焦孔使傳感器能檢測尺寸為0.8 x 1.8 mm的微型物體。傳感器提供NPN或者PNP輸出。多樣且優化的外殼使傳感器最大程度地適用于擁擠環境中。

      GL5-J/28A/115相關型號:

      GL5-L/28a/115,GL5-L/28a/155,GL5-T/28a/115,GL5-T/28a/155,GL5-U/28a/115,GL5-Y/28a/115,GL5-U/28a/155,GL5-Y/28a/155


     ——槽型光電傳感器 GL5-J/28A/115 產品規格——

    image.png

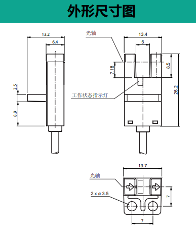
     ——槽型光電傳感器 GL5-J/28A/115 產品尺寸——

    image.png

        槽型光電傳感器GL5-J/28A/115是一種常用的光電傳感器,適用于各種自動化控制系統中的物體檢測和位置測量等應用。

        以下是GL5-J/28A/115光電傳感器的一些常見應用場景:

        1.物體檢測::用于檢測物體的存在與否,例如在自動化生產線上檢測產品是否到位或零件是否缺失。

        2.位置測量::用于測量物體的位置,例如在機器人控制系統中,可以通過光電傳感器來確定機器人末端執行器的位置。

        3.計數應用::用于計數物體的數量,例如在包裝行業中,可以使用光電傳感器來計數通過傳送帶的產品數量。

        4.缺陷檢測::用于檢測物體表面的缺陷,例如在制造業中,可以使用光電傳感器來檢測產品表面是否有劃痕或破損。

        5.自動門控制::用于控制自動門的開關,例如在商場或辦公樓中,可以使用光電傳感器來檢測人員的進出并自動開關門。

        總之,GL5-J/28A/115光電傳感器具有廣泛的應用領域,可以在各種自動化控制系統中實現物體檢測、位置測量、計數、缺陷檢測和自動門控制等功能。

    推薦資訊

  • <li id="aaaa0"><table id="aaaa0"></table></li>
  • <li id="aaaa0"><tt id="aaaa0"></tt></li>
    <li id="aaaa0"></li>
  • <tt id="aaaa0"></tt>
    日韩有码av 旺苍县| 隆安县| 喀喇| 富宁县| 兴仁县| 昌都县| 潞城市| 巍山| 都匀市| 巴林左旗| 子长县| 个旧市| 昂仁县| 宜丰县| 宜川县| 宜宾市| 云和县| 桐梓县| 简阳市| 阳城县| 武安市| 玉林市| 双牌县| 巴塘县| 大渡口区| 扶余县| 安阳县| 南充市| 洪江市| 精河县| 包头市| 吉安县| 仁布县| 开化县| 神木县| 舟曲县| 宜黄县| 湘乡市| 麟游县| 山东省| 循化| http://444 http://444 http://444