
DLF系列手動位移滑臺提供高精度、穩定可靠的直線位移解決方案,適用于實驗室、精密加工、光學調整及自動化設備定位等場景。該系列包含三種型號:DLF01(銅套導向+千分尺進給)、DLF11(軸孔配套+360°手動調節)、DLF21(軸孔配套+千分尺進給+方型臺面),可滿足不同場景對精度、調節方式及負載承載的需求。

一、產品特點
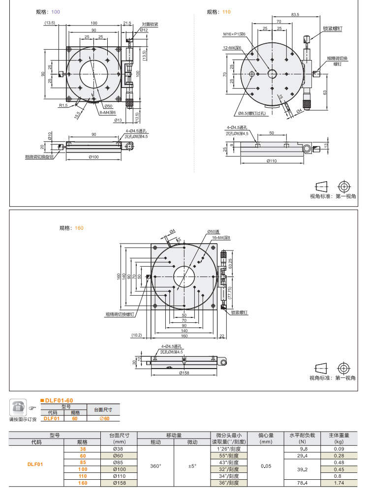
1、DLF01
·銅套導向結構:耐磨性強,運動順滑,適合高頻次使用。
·千分尺進給:精度達±0.01mm,實現微米級精細調整。
·通用性強:標配安裝孔,兼容多種設備集成。


2、DLF11
·360°手動調節:支持多角度快速定位,操作靈活。
·軸孔配套設計:剛性高,適合輕量化負載的快速調整。
·經濟實用:簡化結構,降低成本,適用于教學或簡易定位。

3、DLF21
·方型臺面設計:擴大承載面積,穩定性更優,適合重型工件。
·千分尺+軸孔導向:兼顧高精度與高剛性,抗偏載能力強。
·防滑處理:臺面經磨砂或螺紋加工,防止工件移位。


二、性能對比

三、核心作用
1.精密定位:千分尺型號(DLF01/DLF21)適用于光學元件對齊、模具加工等需微米級精度的場景。
2.快速調整:DLF11的360°調節功能適合頻繁變更位置的實驗裝置或檢測工裝。
3.穩定性增強:DLF21方型臺面設計可承載振動較大的設備,如小型機床工件臺。
選型建議:優先DLF01/DLF21用于高精度需求,選擇DLF11則側重靈活性與成本控制。

