• <li id="aaaa0"><table id="aaaa0"></table></li>
  • <li id="aaaa0"><tt id="aaaa0"></tt></li>
    <li id="aaaa0"></li>
  • <tt id="aaaa0"></tt>
    深圳市博揚智能裝備有限公司 自動化系統集成商及解決方案提供商
    全國服務熱線
    0755-26993877
    精密位移滑臺
    .
    聯系我們

    http://m.shunliao.com.cn

    地址:深圳市寶安區新安街道67區甲岸科技園1號廠房1區5樓
    手機:15012713703

    咨詢熱線0755-26993877

    ?DLF31/?DLF33/DLF51/?DLF52手動位移滑臺

    發布時間:2025-06-18 18:18:20人氣:

    image.png

    DLF31/33和DLF51/52手動位移滑臺是專為高精度、高剛性及重載應用設計的精密定位機構,適用于光學調整、自動化設備、精密測量及工業加工等領域。DLF31/33采用交叉滾子軸承導向+千分尺進給,確保高精度微調;DLF51/52采用角接觸球軸承+360°手動調節,提供重載支撐與靈活調整能力。兩款產品均具備優異的穩定性和耐久性,可滿足不同負載與精度的需求。

    image.png

    一、產品特點


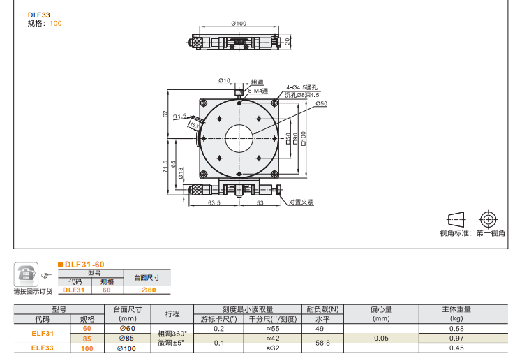
    1、DLF31/33(交叉滾子軸承式+千分尺進給)

    ·高精度導向:交叉滾子軸承結構,剛性強,摩擦小,確保高直線度(±0.01mm)。

    ·千分尺微調:精密螺紋進給,調節精度達±0.005mm,適用于超精密定位。

    ·抗偏載能力強:交叉滾子軸承可承受徑向和軸向復合載荷,適合高穩定性需求。

    ·模塊化設計:可組合使用,構建多軸精密位移系統。

    image.png

    image.png

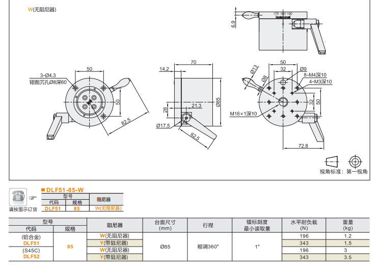
    2、DLF51/52(角接觸球軸承式+360°手動調節)

    ·重載設計:角接觸球軸承提供高剛性支撐,承載能力更強,適用于重型設備調整。

    ·360°旋轉調節:手動旋鈕可實現快速大范圍定位,操作便捷。

    ·高穩定性:軸承預緊結構減少間隙,確保重復定位精度。

    ·防塵防銹:表面硬化處理,適用于工業環境長期使用。

    image.png

    image.png

    二、性能對比

    image.png

    三、核心作用

    (1)DLF31/33:適用于需要超高精度微調的場合,如光學元件對準、半導體檢測設備、實驗室精密儀器等。

    (2)DLF51/52:適用于重型負載+快速調整需求,如CNC機床對刀、自動化產線工裝定位、大型設備校準等。


    推薦資訊

  • <li id="aaaa0"><table id="aaaa0"></table></li>
  • <li id="aaaa0"><tt id="aaaa0"></tt></li>
    <li id="aaaa0"></li>
  • <tt id="aaaa0"></tt>
    日韩有码av 边坝县| 樟树市| 通辽市| 富顺县| 黄浦区| 会同县| 镇巴县| 永济市| 建阳市| 都兰县| 东方市| 临清市| 长宁区| 翼城县| 延庆县| 安泽县| 循化| 永川市| 札达县| 平舆县| 庄河市| 乾安县| 罗山县| 南投市| 东海县| 兰西县| 新田县| 贺州市| 襄汾县| 徐水县| 宝清县| 郓城县| 甘泉县| 东辽县| 海阳市| 宜兰县| 久治县| 曲松县| 雷波县| 通渭县| 静乐县| http://444 http://444 http://444