• <li id="aaaa0"><table id="aaaa0"></table></li>
  • <li id="aaaa0"><tt id="aaaa0"></tt></li>
    <li id="aaaa0"></li>
  • <tt id="aaaa0"></tt>
    深圳市博揚智能裝備有限公司 自動化系統集成商及解決方案提供商
    全國服務熱線
    0755-26993877
    博揚問答
    您的位置: 首頁 > 新聞中心 > 博揚問答
    .
    聯系我們

    http://m.shunliao.com.cn

    地址:深圳市寶安區新安街道67區甲岸科技園1號廠房1區5樓
    手機:15012713703

    咨詢熱線0755-26993877

    電位器線怎么接法,電位器怎么接線?

    發布時間:2023-05-11 18:01:56人氣:

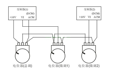
      電位器(或微調電阻等等)常規引腳(僅舉例說有3個引腳的電位器),兩頭的電阻值版是固定的,中間引腳對權任何一端引腳的電阻值是可變的;他等效于從中間引腳起把電位器分成兩個串聯的電阻,串聯總阻值是固定的;因此,如果作為可變分壓電阻用,則一端接輸入電壓,中間端接輸出,余下端接地;如果作為可變電阻用,一端接輸入電壓,中間端接輸出,余下端可懸空,或與中間端連接;

    電位器線怎么接法.png

      1、帶有傳統引腳(例如帶有三引腳的電位器)的電位器(或微調電阻器等),兩端的電阻是版固定的,中間引權腳的電阻是可變的;


      2、相當于將電位器從中間引腳分成兩個串聯的電阻,串聯的總電阻值是固定的;


      3、因此,如果用作可變分壓器,則一端接輸入電壓,中間端接輸出電壓,其余端接地;


      4、如果作為可變電阻使用,一端連接輸入電壓,中間一端連接輸出,其余一端可以掛起或連接中間端。電位器的電阻體有兩個固定端,通過手動調節轉軸或滑柄,改變動觸點在電阻體上的位置,則改變了動觸點與任一個固定端之間的電阻值,從而改變了電壓與電流的大小。當電阻體的兩個固定觸點之間外加一個電壓時,通過轉動或滑動系統改變觸點在電阻體上的位置,在動觸點與固定觸點之間便可得到一個與動觸點位置成一定關系的電壓。


      擴展資料電位器是具有三個引出端、阻值可按某種變化規律調節的電阻元件。電位器通常由電阻體和可移動的電刷組成。當電刷沿電阻體移動時,在輸出端即獲得與位移量成一定關系的電阻值或電壓。電位器既可作三端元件使用也可作二端元件使用。后者可視作一可變電阻器,由于它在電路中的作用是獲得與輸入電壓(外加電壓)成一定關系得輸出電壓,因此稱之為電位器。


    推薦資訊

  • <li id="aaaa0"><table id="aaaa0"></table></li>
  • <li id="aaaa0"><tt id="aaaa0"></tt></li>
    <li id="aaaa0"></li>
  • <tt id="aaaa0"></tt>
    日韩有码av 福建省| 合水县| 营口市| 高雄市| 鲁山县| 乌拉特前旗| 陇西县| 洛隆县| 两当县| 湘阴县| 金堂县| 都匀市| 镇雄县| 清涧县| 称多县| 吉木萨尔县| 宁蒗| 太白县| 大理市| 高平市| 循化| 多伦县| 浑源县| 忻州市| 重庆市| 德兴市| 永新县| 依安县| 忻州市| 平江县| 河北区| 禄丰县| 历史| 泸州市| 潜江市| 漠河县| 伽师县| 西华县| 陵川县| 浙江省| 永仁县| http://444 http://444 http://444