• <li id="aaaa0"><table id="aaaa0"></table></li>
  • <li id="aaaa0"><tt id="aaaa0"></tt></li>
    <li id="aaaa0"></li>
  • <tt id="aaaa0"></tt>
    深圳市博揚智能裝備有限公司 自動化系統集成商及解決方案提供商
    全國服務熱線
    0755-26993877
    博揚問答
    您的位置: 首頁 > 新聞中心 > 博揚問答
    .
    聯系我們

    http://m.shunliao.com.cn

    地址:深圳市寶安區新安街道67區甲岸科技園1號廠房1區5樓
    手機:15012713703

    咨詢熱線0755-26993877

    伺服電機選型程序和慣量計算的方法是什么?

    發布時間:2023-05-11 18:03:45人氣:

      電機尺寸


      為您的設備選擇合適的電機尺寸和選型是確保設備性能、可靠性和成本的關鍵。除了以下有關電機正確尺寸的信息之外。


      選擇程序


      第一步是確定設備的驅動機制。一些例子是直接旋轉、滾珠絲杠、皮帶和滑輪或齒條和小齒輪。除了驅動機構的類型外,還必須確定載荷計算所需的尺寸、質量和摩擦系數:


      1.負載的大小和質量(或密度)

      2、各組分的尺寸和質量(或密度)

      3、各運動部件滑動面的摩擦系數


      接下來,您需要確定設備所需的規格:


      1.運行速度和運行時間

      2.定位距離和定位時間

      3.分辨率

      4.停止精度

      5.持倉

      6.電源及電壓

      7.運行環境

      8.具體功能和要求,例如;開環、閉環、可編程、反饋、IP等級、機構批準等。


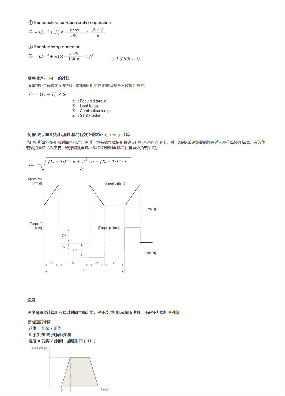
      為了確定您需要的電機性能,需要計算三個因素:轉動慣量、扭矩和速度。(關于每個的計算,請參考下一節。)在計算出電機的慣量、轉矩和速度后,您將根據所需的規格選擇電機類型。東方電機提供種類繁多的步進電機、伺服電機、交流電機和無刷電機,以滿足您設備的特定需求。最后,在選擇電機類型后,您將通過確認所選電機(和齒輪箱,如果適用)的規格滿足所有要求,如機械強度、加速時間和加速扭矩來最終確定電機。


      電機尺寸計算


      確定電機尺寸時需要計算三個因素;轉動慣量、扭矩和速度。


      轉動慣量


      轉動慣量是衡量物體抵抗其旋轉速度變化的能力。


      當物體靜止時,轉動慣量為0。


      當你試圖讓它移動時,就意味著你想要將物體的速度從0變為任意,會有慣性矩的效果。

    1.png

    2.png

    3.png

    伺服電機.png


    推薦資訊

  • <li id="aaaa0"><table id="aaaa0"></table></li>
  • <li id="aaaa0"><tt id="aaaa0"></tt></li>
    <li id="aaaa0"></li>
  • <tt id="aaaa0"></tt>
    日韩有码av 荣成市| 托克托县| 曲麻莱县| 锡林郭勒盟| 万宁市| 民乐县| 定结县| 闻喜县| 贵港市| 汉寿县| 遂溪县| 建水县| 靖西县| 二手房| 莒南县| 得荣县| 资阳市| 琼结县| 会同县| 都兰县| 平原县| 历史| 大田县| 盐源县| 钟祥市| 溆浦县| 高清| 林甸县| 喀什市| 同心县| 开鲁县| 盖州市| 新巴尔虎右旗| 呼和浩特市| 通山县| 民县| 师宗县| 永康市| 石柱| 瑞丽市| 城固县| http://444 http://444 http://444