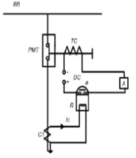
1、瞬時過電流繼電器:

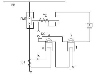
R:繼電器CT:電流互感器TC:跳閘線圈A:警報
瞬時繼電器的操作時間約為幾毫秒。這種過電流繼電器是最簡單的過電流繼電器類型,繼電器工作周期從繼電器吸合開始,直到繼電器工作完成很短或沒有時間延遲。該電流繼電器用于大短路(高置位)的安全,使繼電器在大故障電流下的跳閘時間立即工作。
2、延時定時電流繼電器:
定時限過流繼電器是繼電器周期開始回升直至繼電器工作完成的過流繼電器類型,可以延長一定值,不依賴于電流工作量(取決于設置的大小,繼電器的工作時間由時間設置決定)

一般情況下,繼電器定時限的設置范圍在0.9-1.8 In之間,而動作時間的設置范圍為0.1秒至4秒。
3、反定時限(IDMT)電流繼電器:
具有電流時間特性的反時限繼電器反時限繼電器是過電流繼電器的類型,其中繼電器的期限開始吸合直到繼電器工作完成取決于通過線圈的電流量,繼電器具有反相性質當前值和工作時間。
電流繼電器逆向分為4種,即標準逆向、極逆向、極逆向和長時間逆向。
電流與時間的關系如下式所示:

t:以秒為單位的時間I:流量干擾Is:設置流量TMS:時間乘數設置。

