(漫反射型和反射板型超聲波傳感器)UB500-18GM75-I-V15
| 【產品功能描述】 | |
| 反射式超聲波傳感器UB500-18GM75-I-V15的工作原理與超聲波接近開關相同。聲音傳播測量確定傳感器到反射器或測量范圍內物體的距離。任何聲音反射的靜止物體都可以用作反射器。 | ||
| 【附件產品】 | ||
·安裝附件:OMH-04 ·安裝附件:BF5-30 ·安裝附件:BF18 ·安裝附件:BF18- | ·編程附件:UB-PROG2 ·導向板:UVW90-K18 ·電纜連接器:V15-G-2M-PVC ·電纜連接器:V15-W-2M-PVC | |
產品·特點
——三角測量傳感器 (BGS) OBT300-R100-2EP-IO-V31-L產品特性——
●模擬量輸出4mA...20mA ●測量窗口可調 ●聲錐寬度可調 ●TEACH-IN程序輸入 ●同步功能 ●接近開關關閉功能 ●溫度補償 ●盲區很小 |
|
產品·規格參數
——三角測量傳感器 (BGS) OBT300-R100-2EP-IO-V31-L產品性能——
通用規格參數——
·檢測范圍:30...500mm
·調節范圍:50...500mm
·盲區:0...30mm
·標準目標板:100mmx100mm
·換能器頻率:約380kHz
·響應延時:約50ms
工作方式——
·LED黃色:黃燈常亮:物體在檢測范圍內;黃燈閃爍:TEACH-IN狀態下檢測到目標物
·LED紅色:紅燈常亮:出錯;紅燈閃爍:TEACH-IN狀態下未檢測到目標物
電氣參數——
·工作電壓:10...30VDC,紋波10%PP
·空載電流I0:≤45mA
輸出——
·輸出類型:1個模擬量輸出4...20mA
·分辨率:最大檢測距離時0.13mm
·特性曲線偏差:滿量程值的±1%
·重復精度:滿量程值的±0.1%
·負載阻抗:0...300Ohm
·溫度漂移:滿量程值的±1.5%
工作環境——
·環境溫度:-25...70oC(248...343K)
·儲存溫度:-40...85oC(233...358K)
機械特性——
·防護等級:IP65
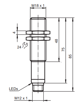
·連接方式:V15連接器(M12x1),5針
·外殼:黃銅鍍鎳
·換能器:環氧樹脂/空心玻璃球混合物;聚氨基甲酸酯泡沫體,外殼PBT
·重量:60克

安裝條件——
如果接近開關安裝于環境溫度可能低于0°C的現場時,就必須使用安裝附件BF 18,BF 18-F或BF 5-30中的一種來固定。在使用鋼螺母將接近開關直接安裝在一個通孔的情況下,接近開關必須被固定在安裝螺紋的中央。如果一定要固定在安裝螺紋的前端,就必須使用帶定位環的塑料螺母(附件)。



