• <li id="aaaa0"><table id="aaaa0"></table></li>
  • <li id="aaaa0"><tt id="aaaa0"></tt></li>
    <li id="aaaa0"></li>
  • <tt id="aaaa0"></tt>
    深圳市博揚智能裝備有限公司 自動化系統集成商及解決方案提供商
    全國服務熱線
    0755-26993877
    倍加福
    您的位置: 首頁 > 產品中心 > 倍加福
    .
    聯系我們

    http://m.shunliao.com.cn

    地址:深圳市寶安區新安街道67區甲岸科技園1號廠房1區5樓
    手機:15012713703

    咨詢熱線0755-26993877

    色標傳感器:DK20-9,5/110/124系列

    發布時間:2023-05-24 14:59:12人氣:

    色標傳感器DK20-9,5/110/124(色標傳感器和顏色傳感器)

    image.png

    【產品功能描述】
    色標傳感器DK20-9,5/110/124是一種“光電傳感器”,它從發射器發出光,然后用接收器檢測從檢測對象反射回來的光。色標傳感器可以分別檢測接收到的紅色、藍色和綠色的光強度,從而可以確定目標物體的顏色。
    【附件產品】

     ·直角安裝套件:OMH-DK

     ·扁平安裝套件:OMH-DK-1


    產品·特點

    ——色標傳感器DK20-9,5/110/124產品特性——

    漫反射型光電傳感器,用于記錄任何色標

    靜態TEACH-IN:自動開關閥值設置

    30μs響應時間,適合極快速的掃描過程

    發射器3色光源:綠、紅、藍

    強大的推挽輸出

    光學系統可轉換90o

    堅固的防水塑料外殼

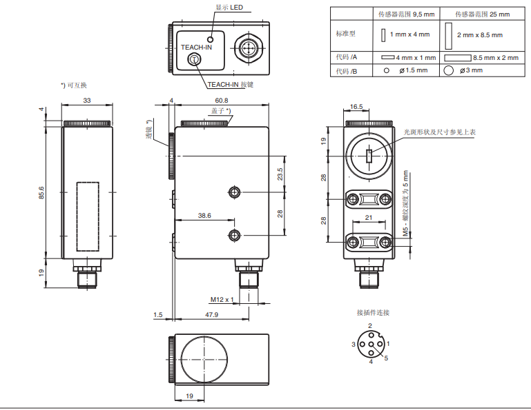
    外形尺寸圖

    產品·規格參數

    ——色標傳感器DK20-9,5/110/124產品規格——

    通用規格——

    ·安裝范圍:9.5mm+/-3mm

    ·光源類型:LED

    ·光斑直徑:1mmx4mm

    ·偏差角:max.±3o

    ·認證:CE

    ·光源特性:可見綠光/紅光/藍光,調制光

    ·TEACH-IN:靜態TEACH-IN

    電氣參數——

    ·工作電壓:10...30VDC

    ·紋波:10%

    ·空載電流I0:≤70mA

    工作方式/顯示方式——

    ·功能顯示:黃色LED;開關操作:檢測到色標即點亮;TEACH-IN操作:LED慢閃;報警顯示:如存在誤操作,則LED快閃

    ·調節元件:TEACH-IN按鍵

    輸出——

    ·開關類型:亮/暗通可選,由TEACH-IN的順序決定

    ·信號輸出:推挽輸出,短路保護,反極性保護

    ·負載電壓:PNP:≥(+UB-2.5V),NPN:≤1.5V

    ·負載電流:最大.200mA

    ·開關頻率f:16.5KHz

    ·響應時間:30us

    周圍環境——

    ·工作溫度:-20...60oC(253...333K)

    ·儲藏溫度:-20...75oC(253...348K)

    電路連接線圖

    推薦資訊

  • <li id="aaaa0"><table id="aaaa0"></table></li>
  • <li id="aaaa0"><tt id="aaaa0"></tt></li>
    <li id="aaaa0"></li>
  • <tt id="aaaa0"></tt>
    日韩有码av 新晃| 临邑县| 共和县| 永济市| 惠州市| 凌云县| 类乌齐县| 防城港市| 汝南县| 寻乌县| 彭阳县| 贡觉县| 利川市| 饶河县| 鄯善县| 卢氏县| 镇赉县| 武川县| 枣强县| 定安县| 锦州市| 玉树县| 邛崃市| 龙岩市| 兰州市| 金乡县| 方山县| 剑川县| 大庆市| 墨竹工卡县| 额敏县| 福州市| 永福县| 石楼县| 田林县| 河间市| 三明市| 攀枝花市| 平山县| 米林县| 西乌珠穆沁旗| http://444 http://444 http://444