• <li id="aaaa0"><table id="aaaa0"></table></li>
  • <li id="aaaa0"><tt id="aaaa0"></tt></li>
    <li id="aaaa0"></li>
  • <tt id="aaaa0"></tt>
    深圳市博揚智能裝備有限公司 自動化系統集成商及解決方案提供商
    全國服務熱線
    0755-26993877
    倍加福
    您的位置: 首頁 > 產品中心 > 倍加福
    .
    聯系我們

    http://m.shunliao.com.cn

    地址:深圳市寶安區新安街道67區甲岸科技園1號廠房1區5樓
    手機:15012713703

    咨詢熱線0755-26993877

    電感式傳感器:NBB8-18GM30-E3系列

    發布時間:2023-05-25 18:29:39人氣:

      電感式接近開關是一種位置開關,無需與運動部件直接機械接觸即可操作。它具有動作可靠,性能穩定,頻率響應快,使用壽命長,抗干擾能力強,并且防水,防震,耐腐蝕等特點。也因此在電子元器件上被廣泛使用。


      電感式接近開關NBB8-18GM30-E3有2大特點:(1)8 mm,齊平(2)更遠的工作距離


      電感式接近開關NBB8-18GM30-E3技術參數:


      1、一般說明


      開關點功能:PNP常閉


      額定動作距離sn:8 mm


      安裝:齊平安裝


      輸出極性:DC


      可靠動作范圍:sa 0...6.48 mm


      衰減系數rAI:0.45


      衰減系數rCu:0.4


      衰減系數rV2A:0.7


      2、額定等級


      工作電壓UB:10...30 V


      開關頻率f:0...500 Hz


      遲滯H:典型值5%


      反極性保護:是


      短路保護:脈沖


      電壓降Ud:≤3 V


      工作電流IL:0...100 mA


      漏電流Ir:0...0.5 mA典型值0.1μA在25oC時


      空載電流Io:≤15 mA


      開關狀態指示:黃色LED指示燈


      3、符合標準


      標準:IEC/EN 60947-5-2:2004


      4、周圍環境


      環境溫度:-25...70oC(248...343 K)


      5、機械特性


      接線形式:2 m,PVC電纜


      導線截面積:0.34 mm2


      外殼材料:黃銅,鍍鎳


      感應面:PBT


      防護等級:IP67


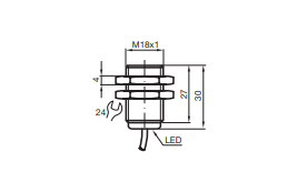
      電感式接近開關NBB8-18GM30-E3外形尺寸


    NBB8-18GM30-E3尺寸圖.png


      電感式接近開關工作原理


      電感式接近開關三大組成部分之一的振蕩器,會產生一個交變磁場。當金屬物接近這一磁場,并達到了感應距離的時候,并會在金屬目標內產生渦流,進而導致振蕩衰減,以至停振。振蕩器振蕩及停振的變化被后級放大電路處理并轉換成開關信號,觸發驅動控制器件,從而達到非接觸式之檢測目的。


      電感式接近開關的應用


      電感式接近開關能很好的使用于一般的行程控制,其使用壽命、定位精度、操作頻率、安裝調整的方便性,以及對惡劣環境的適用能力,是一般機械開關所不能比的。因此它能夠被廣泛地應用于輕紡、機床、印刷、冶金、化工等行業。


      NBB8-18GM30-E3配套產品


     ?。?)安裝法蘭 BF 18


      1、所有帶 M18 螺紋的圓柱形傳感器適用的固定器  2、安裝簡單且設置精確  3、感應范圍大(最大 20 mm)


     ?。?)輔助安裝件 EXG-18


      1、螺紋管適用的夾子  2、適用于 M18 傳感器  3、更換簡單而快速且無需重新調整  4、隨附 2 個開槽螺母

    推薦資訊

  • <li id="aaaa0"><table id="aaaa0"></table></li>
  • <li id="aaaa0"><tt id="aaaa0"></tt></li>
    <li id="aaaa0"></li>
  • <tt id="aaaa0"></tt>
    日韩有码av 资阳市| 临桂县| 沈丘县| 慈溪市| 四会市| 红桥区| 漠河县| 巫山县| 丰镇市| 邛崃市| 巢湖市| 新津县| 诸城市| 泊头市| 丰城市| 循化| 瓦房店市| 安阳县| 青川县| 铁岭市| 固始县| 台南市| 安化县| 西藏| 富裕县| 苗栗市| 辽阳县| 巴塘县| 汪清县| 夏津县| 错那县| 宁乡县| 酒泉市| 申扎县| 禄丰县| 丁青县| 霍林郭勒市| 高要市| 炉霍县| 林周县| 墨脱县| http://444 http://444 http://444