• <li id="aaaa0"><table id="aaaa0"></table></li>
  • <li id="aaaa0"><tt id="aaaa0"></tt></li>
    <li id="aaaa0"></li>
  • <tt id="aaaa0"></tt>
    深圳市博揚智能裝備有限公司 自動化系統集成商及解決方案提供商
    全國服務熱線
    0755-26993877
    倍加福
    您的位置: 首頁 > 產品中心 > 倍加福
    .
    聯系我們

    http://m.shunliao.com.cn

    地址:深圳市寶安區新安街道67區甲岸科技園1號廠房1區5樓
    手機:15012713703

    咨詢熱線0755-26993877

    電感式傳感器:NBN8-12GM50-E0系列

    發布時間:2023-05-26 09:12:59人氣:

      電感式傳感器NBN8-12GM50-E0工作原理可用于不同的檢測任務。最適合特定應用的傳感原理是由多種考慮因素決定的:包括被檢測物體的材料、應用環境以及檢測距離。如果要檢測的物體具有導電性,例如由金屬制成,并且可以近距離檢測,則建議使用電感式傳感器。


      電感式傳感器的作用是使傳感器發出高頻交變磁場。當金屬開關目標接近該磁場時,會通過渦流損耗從交變場中提取能量。此外,鐵磁開關靶會導致再磁化損耗。當達到定義的閾值時,會評估這些損耗并切換傳感器。

    產品·特點

    ——電感式傳感器NBN8-12GM50-E0產品特性——

      基本系列

      8 mm非齊平安裝

      檢測距離增長,更遠的工作距離

      溫度范圍擴大-40...+85°C

      工作電壓范圍擴大

      具有多種安裝選擇,使用靈活

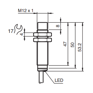
    電感式傳感器外形尺寸


    產品·參數規格

    ——電感式傳感器NBN8-12GM50-E0產品規格——

        通用規格——

        開關功能:常開(NO)

        輸出類型:NPN

        額定工作距離:8毫米

        安裝:非齊平

        輸出極性:直流電

        確保操作距離:0...6,48毫米

        驅動器件:軟鋼,如1.0037、SR235JR(之前為St37-2)

        24mmx24mmx1mm

        衰減系數rAl:0,4

        衰減系數rCu:0,35

        衰減系數r304:0,79

        衰減系數rBrass:0,49

        輸出類型:3線

        額定值——

        工作電壓:5...36伏

        開關頻率:0...1650赫茲

        遲滯:類型5%

        反極性保護:反極性保護

        短路保護:脈沖式

        電壓降:≤1V

        工作電流:0...200mA

        斷態電流:最大20μA

        空載電流:≤10mA

        可用前的時間延遲:≤10毫秒

        開關狀態指示燈:黃色LED

    推薦資訊

  • <li id="aaaa0"><table id="aaaa0"></table></li>
  • <li id="aaaa0"><tt id="aaaa0"></tt></li>
    <li id="aaaa0"></li>
  • <tt id="aaaa0"></tt>
    日韩有码av 如皋市| 吉首市| 金寨县| 辉南县| 裕民县| 壤塘县| 湘西| 浪卡子县| 武汉市| 沅陵县| 岱山县| 越西县| 鸡泽县| 江山市| 玉田县| 多伦县| 化德县| 萨迦县| 宜兰市| 阳原县| 石柱| 行唐县| 金门县| 镇远县| 乃东县| 凤庆县| 安龙县| 托里县| 颍上县| 诸城市| 山丹县| 平阳县| 古浪县| 伊宁县| 柳州市| 钟祥市| 黄冈市| 平罗县| 绿春县| 南川市| 广水市| http://444 http://444 http://444