• <li id="aaaa0"><table id="aaaa0"></table></li>
  • <li id="aaaa0"><tt id="aaaa0"></tt></li>
    <li id="aaaa0"></li>
  • <tt id="aaaa0"></tt>
    深圳市博揚智能裝備有限公司 自動化系統集成商及解決方案提供商
    全國服務熱線
    0755-26993877
    倍加福
    您的位置: 首頁 > 產品中心 > 倍加福
    .
    聯系我們

    http://m.shunliao.com.cn

    地址:深圳市寶安區新安街道67區甲岸科技園1號廠房1區5樓
    手機:15012713703

    咨詢熱線0755-26993877

    電感式傳感器:NBN25-30GM50-E0系列

    發布時間:2023-05-26 09:15:13人氣:

    電感式傳感器NBN25-30GM50-E0也稱:(電感式接近開關/接近開關/接近傳感器)


    【產品功能描述】

    ·25 mm,非齊平

    ·更遠的工作距離

    ·溫度范圍擴大-40 ... +85 °C

    ·工作電壓范圍擴大

    ·具有多種安裝選擇,使用靈活

    【附件產品】

    ·BF 30安裝法蘭:安裝法蘭,30 mm

    ·BF 30-F安裝法蘭:塑料殼適配器,30 mm


      電感式傳感器NBN25-30GM50-E0相同直徑的設備可能具有不同的開關距離。

      非齊平安裝的接近開關最大可能的開關距離(相對于直徑)由非齊平安裝的接近開關實現。感應接近開關利用線圈產生電磁場。為了獲得特定的磁場方向,這些線圈纏繞在一個封裝的磁芯中。盡管如此,這一領域中的一些將向側面輻射。

      齊平安裝的感應接近開關可以在沒有間隙的情況下使用(A=0)。一個優點是,與非沖洗安裝類型相比,它們具有更好的機械保護,并且對錯誤影響不太敏感。所需的橫向磁場降低是通過一種特殊的內部屏蔽實現的。這是以犧牲范圍為代價的;這些接近開關僅達到非嵌入式安裝設計開關距離的約60%。

    產品·特點

    ——電感式傳感器NBN25-30GM50-E0產品特性——

    25毫米非齊平

    增加工作距離

    擴展溫度范圍-40...+85°C

    擴展工作電壓范圍

    靈活使用,可提供多種安裝機會


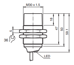
    電感式傳感器NBN25-30GM50-E0(圖2)


    產品·參數規格

    ——電感式傳感器NBN25-30GM50-E0產品規格——

        通用規格——

        開關功能:常開(NO)

        輸出類型:NPN

        額定工作距離:25mm

        安裝:非齊平

        輸出極性:DC

        確保操作距離:0...20,25mm

        驅動器件:軟鋼,如1.0037、SR235JR(之前為St37-2)75mmx75mmx1mm

        衰減系數rAl:0,45

        衰減系數rCu:0,42

        衰減系數r304:0,7

        衰減系數rBrass:0,5

        輸出類型:3線

        環境條件——

        環境溫度:-40...85°C(-40...185°F)

        存儲溫度:-40...85°C(-40...185°F)

    推薦資訊

  • <li id="aaaa0"><table id="aaaa0"></table></li>
  • <li id="aaaa0"><tt id="aaaa0"></tt></li>
    <li id="aaaa0"></li>
  • <tt id="aaaa0"></tt>
    日韩有码av 华宁县| 白山市| 石家庄市| 永德县| 古丈县| 始兴县| 遂昌县| 丘北县| 宿迁市| 犍为县| 昌图县| 阆中市| 高淳县| 白城市| 晋城| 屏山县| 东丰县| 绥江县| 牡丹江市| 鹤山市| 科技| 康平县| 瑞金市| 峨眉山市| 华阴市| 延边| 廉江市| 巴马| 牡丹江市| 电白县| 广州市| 和政县| 思茅市| 沙田区| 济阳县| 大关县| 绍兴县| 新乡市| 深泽县| 南雄市| 兰溪市| http://444 http://444 http://444