• <li id="aaaa0"><table id="aaaa0"></table></li>
  • <li id="aaaa0"><tt id="aaaa0"></tt></li>
    <li id="aaaa0"></li>
  • <tt id="aaaa0"></tt>
    深圳市博揚智能裝備有限公司 自動化系統集成商及解決方案提供商
    全國服務熱線
    0755-26993877
    倍加福
    您的位置: 首頁 > 產品中心 > 倍加福
    .
    聯系我們

    http://m.shunliao.com.cn

    地址:深圳市寶安區新安街道67區甲岸科技園1號廠房1區5樓
    手機:15012713703

    咨詢熱線0755-26993877

    電感式傳感器:NBN40-L2-E2-V1系列

    發布時間:2023-05-26 09:17:36人氣:

    P+F倍加福電感式傳感器NBN40-L2-E2-V1

    【產品功能描述】
    電感式傳感器NBN40-L2-E2-V1的作用是使傳感器發出高頻交變磁場。當金屬開關目標接近該磁場時,通過渦流損耗從交變場中提取能量。此外,鐵磁開關目標會導致再磁化損耗。評估這些損失并在達到定義的閾值時切換傳感器。
    【附件產品】
    ·不帶線電纜插座:V1-G

    ·不帶線電纜插座:V1-W

    ·電纜插頭:V1-W-2M-PVC

    ·電纜插頭:V1-G-2M-PVC

    ·安裝附件:MHW 01

    產品·特點

    ——電感式傳感器NBN40-L2-E2-V1產品特性——




    傳感器頭雙向和可旋轉

    3線直流

    40mm非齊平安裝

    快速安裝支架

    4-路LED指示燈

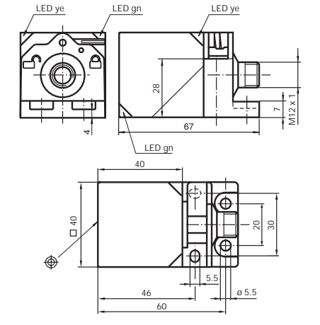
    外形尺寸圖

    產品·規格參數

    ——電感式傳感器NBN40-L2-E2-V1產品性能——

    通用規格參數——

    ·開關點功能:PNP常開

    ·額定動作距離sn:40mm

    ·安裝:非齊平安裝

    ·輸出極性:DC

    ·可靠動作范圍sa:0...32.4mm

    ·衰減系數rAI:0.33

    ·衰減系數rCu:0.31

    ·衰減系數rV2A:0.74

    ·衰減系數rMs:0.38

    工作環境——

    ·環境溫度:-25...85oC(248...358K)

    ·儲藏溫度:-40...85oC(233...358K)

    額定等級——

    ·工作電壓UB:10...30 V

    ·開關頻率f:0...150 Hz

    ·遲滯H:典型值5%

    ·反極性保護:是

    ·短路保護:脈沖

    ·電壓降Ud:≤2 V

    ·工作電流IL:0...200 mA

    ·漏電流Ir:0...0.5 mA

    ·空載電流Io:≤20 mA

    ·工作電壓顯示:綠色LED指示燈

    ·開關狀態指示:黃色LED指示燈

    機械特性——

    ·接線形式:V1-連接器

    ·外殼材料:PA-GF35

    ·感應面:PA-GF35

    ·防護等級:IP69K

    ·重量:130 g

    ·防護等級:II

    ·額定絕緣電壓Ui:253 V

    ·設計抗沖擊電壓Uimp:4000 V

    接線形式

    推薦資訊

  • <li id="aaaa0"><table id="aaaa0"></table></li>
  • <li id="aaaa0"><tt id="aaaa0"></tt></li>
    <li id="aaaa0"></li>
  • <tt id="aaaa0"></tt>
    日韩有码av 阿城市| 旬阳县| 邓州市| 彭阳县| 揭阳市| 康平县| 什邡市| 海伦市| 云安县| 盖州市| 县级市| 灯塔市| 隆昌县| 南和县| 吉水县| 通江县| 萨迦县| 汾阳市| 长寿区| 星座| 绥芬河市| 团风县| 永善县| 库尔勒市| 锡林浩特市| 舒城县| 无棣县| 田林县| 合阳县| 芷江| 盐山县| 长治县| 庄浪县| 肥乡县| 鹰潭市| 辽中县| 高淳县| 江都市| 应城市| 万年县| 含山县| http://444 http://444 http://444